继电器是一种利用小电流控制大电流的电动开关。车辆的发动机、车身等电子控制系统中都大量使用了继电器,是汽车使用最多的电子元器件之一。

继电器的结构

继电器有两个主要部分:一个是线圈;另一个是触点。继电器中的线圈起到控制作用;触点的状态取决于线圈是否产生磁场。当触点闭合后,被控制的用电设备开始工作。

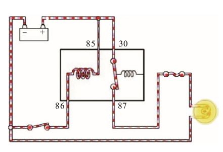
如下图所示,85#和86#端子是线圈,属于控制部分;87#和30#端子是触点,属于被控制部分(即输出端)。

继电器的工作原理及作用_延时继电器原理_延时继电器的工作原理

继电器的工作原理

继电器主要应用的是电磁效应。线圈供电后产生的磁场使触点闭合,如下图所示。

延时继电器原理_延时继电器的工作原理_继电器的工作原理及作用

(1)四脚继电器的工作原理

车辆继电器多为四脚,工作原理如下图所示。当开关闭合后电流从蓄电池正极经过继电器的85#线圈端子从86#流回蓄电池的负极,线圈两端就会产生磁场。线圈产生磁场后,就会吸引触点的87#和30#端子,使继电器的触点闭合,从而实现小电流控制大电流。

延时继电器原理_继电器的工作原理及作用_延时继电器的工作原理

(2)五脚继电器的工作原理

五脚继电器工作原理与四脚继电器基本相同,只是在继电器不工作的时候有一触点一直处于常闭状态。如下图所示,当继电器线圈85#和86#端子通电后,线圈吸引触点从87a#端子运动到87#端子,使30#端子与87#端子接通,所以五脚继电器也叫做枢纽继电器,可以起到一个转换的功能。

继电器的工作原理及作用_延时继电器的工作原理_延时继电器原理

继电器的工作原理及作用_延时继电器原理_延时继电器的工作原理

继电器的应用

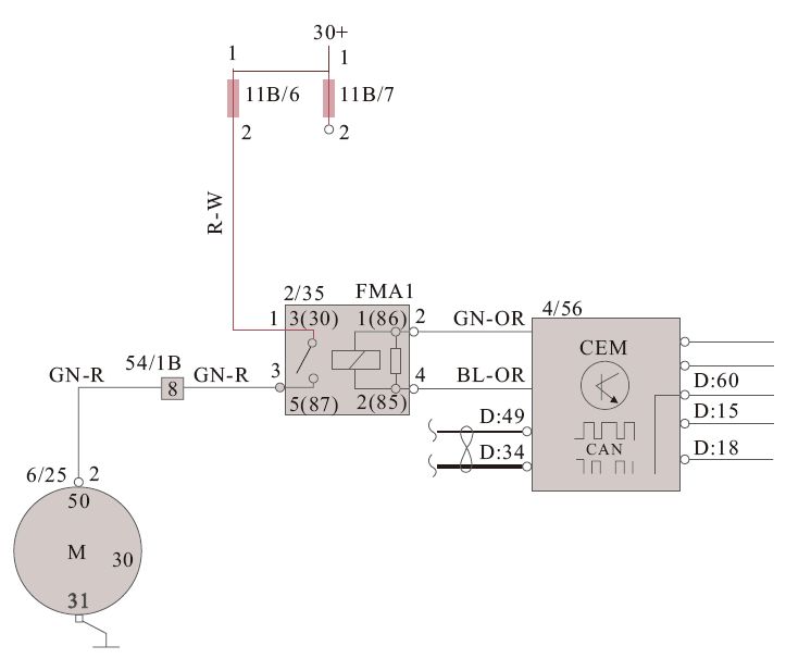
继电器在汽车电路中的应用非常广泛。如启动系统电路、雨刮器电路、后窗加热电路等。车辆启动时需要大的启动电流,如果使用点火开关直接控制大电流经过的点火开关,启动触点会出现触点打火、烧蚀等现象,影响点火开关使用寿命甚至会造成线路烧蚀、起火等严重后果。使用继电器以小电流控制大电流则不会出现以上问题。

如下图所示的启动系统电路中,CEM接收到点火开关模块的启动信号后,输出12V电压信号给启动继电器的2号端子,并控制启动继电器的4号端子搭铁继电器的工作原理及作用,启动继电器电磁线圈通电,继电器吸合。蓄电池供电通过保险丝进入启动继电器的1号端子,在经过其3号端子流出供给起动机,起动机得到供电运转带动发动机启动。

延时继电器的工作原理_延时继电器原理_继电器的工作原理及作用

延时继电器原理_继电器的工作原理及作用_延时继电器的工作原理

继电器的检查

对于继电器的检查不能只通过测量线圈的电阻值来判断好坏,要通过多种方法来检测继电器的好坏。

① 通过万用表的电阻挡测量控制部分线圈的电阻是否符合标准,如果不符合更换继电器。

延时继电器的工作原理_继电器的工作原理及作用_延时继电器原理

② 在不给继电器通电的状态下,用万用表的电阻挡测量触点(输出端)是否导通继电器的工作原理及作用,如果导通,说明继电器损坏,更换继电器。

③ 将继电器接入电路中,使继电器工作,此时用万用表的电阻挡测量输出端的电阻是否很小(接近0),如果测量发现电阻触点电阻无穷大或者阻值超过标准值则说明继电器出现故障需要更换。

以上内容来自 ▼

继电器的工作原理及作用_延时继电器的工作原理_延时继电器原理

这本书采用高清图解形式并以通俗易懂的语言,围绕初学汽车修理人员和使用人员所关心的问题,对汽车的组成及基本工作原理、维修工具的使用、汽车的一般维护方法、机械与电控系统的维修、主要部件的检查与调整等方面的知识都进行了详细介绍。

限 时 特 惠: 本站每日持续更新海量各大内部创业教程,永久会员只需98元,全站资源免费下载 点击查看详情
站 长 微 信: thumbxmw